
Our Juice Bottling Line is your one-stop solution for efficient and reliable juice packaging. Our state-of-the-art bottling line is designed to streamline the bottling process, ensuring high-speed production and consistent quality. With versatile capabilities to accommodate various bottle sizes and shapes, our bottling line offers flexibility to meet your specific packaging needs. The hygienic design of our equipment ensures the safety and integrity of your juice products. Easy to operate and maintain, our juice bottling line is user-friendly and built to deliver optimal performance. Trust our juice bottling line for a seamless and efficient juice packaging process that meets the highest standards of quality and hygiene.

8000BPH
15000BPH
25000BPH
Industry Solutions
We always focus on customers, pay attention to their needs, provide high-quality products and excellent services to meet their expectations.

Ground Water

Surface Water

Tap Water

Blakish Water

Juice Bottling Line Advantage
★ Efficient Production: Our juice bottling line is designed for high-speed and efficient production, ensuring a smooth and continuous bottling process.
★ Versatility: The juice bottling line can handle a variety of bottle sizes and shapes, allowing for flexibility in production and packaging options.
★ Hygienic Design: Our bottling line is constructed with food-grade materials and features a hygienic design to ensure the safety and quality of the bottled juice.
★ Easy Operation: The juice bottling line is user-friendly and easy to operate, with intuitive controls and minimal maintenance requirements.
★ Customization Options: We offer customization options to tailor the bottling line to your specific production needs, ensuring optimal performance and productivity.
★ Expert Support: Our team of experts provides comprehensive support and training to help you maximize the efficiency and performance of your juice bottling line.




Parameters Table
Model
Capacity: (500ml)/h
Bottle specifications
Pressure(MPa)
General Power(kw)
Overall Size
Weight(kg)
RCGF14124
3000-4000
H=170-320
0.25-0.3PET bottle
1.87
2300*1680*2650
2600
RCGF18186
5000-7000
H=170-320
0.25-0.3PET bottle
2.57
2500*1760*2650
3500
RCGF24248
8000-12000
H=170-320
0.25-0.3PET bottle
3.7
3100*2100*2650
4800
RCGF32328
12000-15000
H=170-320
0.25-0.3PET bottle
4.7
3800*2800*2650
6500
RCGF404010
16000-18000
H=170-320
0.25-0.3PET bottle
8.2
4000*3300*3400
10000
RCGF505012
20000-24000
H=170-320
0.25-0.3PET bottle
9.7
4850*3650*3300
12000
RCGF606015
24000-28000
H=170-320
0.25-0.3PET bottle
11.7
6500*5400*3500
15000

Success in water beverage production requires focus on maximum output and efficiency, with commitment to hygiene, food safety, cost optimization and sustainability.
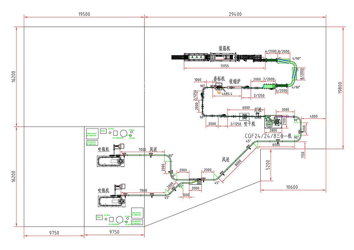
Bottle Filling System

Filling
Filling machines are designed to accurately and efficiently fill containers with liquid or semi-liquid products.

Labeling&Packing
Labeling machines are used to apply labels onto containers, such as bottles, cans, or boxes and then the bottles are packaged with PE film or cartons for easy transportation.






