
Our water filling machines mainly include bottled water, automatic, and glass bottle water filling machines. They adopt air conveyor & starwheel direct bottle connection, eliminating screws and conveyor chains for easier bottle shape changeover.Bottle transfer uses neck-handling technology; no equipment height adjustment is needed for format change. Only curved guides, starwheels and nylon parts need to be replaced.The specially designed stainless steel bottle washing gripper is sturdy and durable, with no contact at the bottle mouth thread area to prevent secondary pollution.

200ml-2L
3-10L
5Gallon
To have a suitable water treatment system
To turn the following water sources into valuable product water:

Ground Water

Surface Water

Tap Water

Blakish Water


Water Filling Production Line ADVANTAGE
Diverse water treatment systems: We provide tailored solutions for different raw water qualities.
1:Water treatment features a new vertical pipeline design that is both aesthetic and practical.
2:The system uses pneumatic valves for automatic control, with a full Siemens control system, Dahuan ozone system, Philips UV lamp, FRP membrane housing, and ABB inverter, complete with flow diagrams.
3:The filling line includes a full lubrication system for conveying components, extending equipment service life.
4:The filling system is fitted with Italian imported pumps, ABB motors, Siemens controls, and food‑grade 304/316 stainless steel.
5:We also offer customized high‑speed air‑supported filling valves for significantly improved filling speed.
6:Please provide us your water quality test report if available.
7:Please confirm all your bottle size (volume). 330ml, 500ml, 1L, 1.5L or other volume?
8:Please tell us about your production capacity requirement. 2000 bottles per hour, 3000, 4000 or more?
9:Other requirement about packing or consumable materials?
(We will offer you a most suitable solution and price.)






Parameters Table
Model
Capacity(b/h) 500ml
Motor power (kw)
Overall dimension(mm)
CGF14-12-5
2000-4000
1.5
2100*1400*2500
CGF16-16-5
CGF24-24-8
5000-7000
8000-12000
2
3
2460*1720*2650
3100*2100*2650
CGF32-32-8
12000-15000
4
3500*2500*2650
CGF40-40-10
16000-20000
7.5
4600*1800*2650
CGF48-48-12
20000-24000
9.5
5200*4500*3400
CGF50-50-15
24000-26000
11
5800*4500*3400
CGF60-60-15
26000-30000
12
6500*4500*3400
CGF72-72-18
30000-36000
14
6800*4500*3700
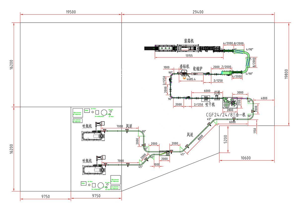
High-Quality Pure Mineral Water PET Plastic Bottling 3-in-1 Washing Filling Capping Machine + Automatic Labeling & Shrinking Unit
High Speed Automatic 500ml 1L PET Bottle Liquid Filling Bottling Machine Purified Spring Drinking Pure Water Production Line
Automatic 5000bph New Design Efficient Water Filling Capping 3-in-1 Water Filling Production Line

Welcome to Vesta
1:Air conveyor + starwheel direct bottle connection eliminates screws and conveyor chains, simplifying bottle format change.
2:Neck-handling bottle transfer requires no height adjustment; only guides, starwheels and nylon parts need replacing.
3:Heavy‑duty stainless steel bottle washing grippers avoid contact with bottle mouth threads to prevent secondary pollution.
4:Also available: glass bottle fillers, gravity flow fillers, e‑liquid filling machines.
High‑speed large‑bore gravity filling valves enable fast, accurate filling with no spillage.
5:The main machine uses advanced PLC automatic control; key electric components are from branded suppliers such as Japanese brands and Schneider Electric.
FAQ
How can I check the machine quality before ordering?
We welcome you to visit our factory to inspect quality and watch the machines run live.
What warranty do you provide?

Success in water beverage production requires focus on maximum output and efficiency, with commitment to hygiene, food safety, cost optimization and sustainability.
Bottle Filling System

Filling
Filling machines are designed to accurately and efficiently fill containers with liquid or semi-liquid products.

Labeling&Packing
Labeling machines are used to apply labels onto containers, such as bottles, cans, or boxes and then the bottles are packaged with PE film or cartons for easy transportation.

Water Purification
Raw water passes through a water purification system to produce clean water for drinking, filling, transportation and storage

Blowing
Blowing machines are used in the packaging industry to make plastic containers, such as bottles or jars.




